加入購物車成功!
介紹:
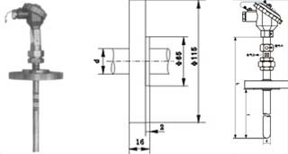
產品說明
通常和顯示儀表.記錄儀表.電子計算機等配套使用。直接準確測量各種生產過程中的-200~500℃范圍內液體.蒸汽和氣體介質以及固體表面溫度。
◆鎧裝熱電阻保護帶直徑及材料
套管直徑 | 套管材質 | |
Pt100 | ||
單支式 | φ2 | 1Cr18Ni9Ti |
φ3 | ||
φ4 | ||
φ5 | ||
φ6 | ||
φ8 | ||
雙支式 | φ3 | |
φ4 | ||
φ5 | ||
φ6 | ||
φ8 |
◆常溫絕緣電阻
熱電阻在環(huán)境溫度為15~35℃,相對濕度不大于80%,試驗電壓為10~100V(直流)電極與外套管之間的絕緣電阻≥100MΩ。
相關產品:











